發布日期:2022-08-21 點擊率:70
摘要:根據靜載檢測系統對系統結構和功能的新需求,采用Cypress公司的CY8C24894芯片作為系統的主控部分,提出了基于子節點、匯聚節點、上位機三層結構的數據傳輸方案,設計了節點、傳感器接口、無線傳輸模塊等硬件電路,給出了前端數據采集、通信控制等軟件流程,并成功實現US-BUART仿真串口通信功能。實際測試表明,該系統操作簡便、實時性強、精度高,可廣泛應用于樁基承載力的靜載試驗中。
近年來,我國工程建筑事業開展迅猛,城市高層建筑也隨之得到了前所未有的高速發展。樁基的成樁質量與其實際承載力關系到整個高層建筑的設計和安危,因此對于高層建筑而言,樁基承載力檢測非常重要。我國建筑樁基技術規范(JCJ94-94)規定:對于一級建筑物以及缺乏可參照試樁資料的二級建筑物為確定單樁豎向極限承載力,應進行現場靜載試驗。
現有的靜載檢測儀雖然做到了白動化、智能化,但是都是基于有線連接方式的,并且所使用的8位MCS-51單片機功耗較大、功能較單一,數據盒與上位機交換數據采用RS-232串口通信,無法適應電子系統無線化、小型化、高效化、集成化、節能化的發展需求。并且新一代的PC機上的COM接口已逐浙消失,單獨設計USB轉RS-232會帶來不必要的麻煩,開發帶有USBUART仿真串口的傳輸接口是當今檢測儀器的發展需要。
PSoC的特點在于既具有8位微控制器的處理能力,又集成了多種可編程數字用戶模塊。值得一提的是,PSoC史無前例地集成了多種可編程模擬用戶模塊功能,將全數字式的微控制器設計與純粹的模擬設計相結合,是一種具有SoC的基本原理的、基于高度靈活且完全可編程混合信號的全新一代器件。
CyFi低功耗無線射頻技術開發簡便、協議棧結構精簡、可實現多信道跳變等特點,使其成為無線技術應用領域的新生力量,能廣泛應用于工業、消費電子、汽車家電、智能建筑等多種無線控制應用中。
CY8C24894是Cypress公司推出的帶有M8C控制內核的PSoC可編程片上系統,系統資源中帶有USBUART傳輸模塊。本文圍繞這款高性能、低功耗的片上系統設計了一個無線采集系統。
1 系統組成與設計原理
系統分為數據采集部分與數據上傳部分。數據采集部分由5個子節點和1個匯聚節點通過CyFi無線傳輸技術組成。其中,子節點又分為4個位移子節點和1個壓力子節點。子節點的核心控制單元是PSoC可編程片上系統,負責接收傳感器數據并控制CyFi無線模塊發送。另外,位移傳感器采用數字容柵式MS50傳感器,輸出量為數字信號。壓力傳感器采用壓阻式壓力傳感器MPM480,輸出量為模擬信號,需進行A/D轉換。
數據上傳部分由匯聚節點與上位機通過USBUART傳輸技術組成,匯聚節點由基于PSoC可編程片上系統的數據盒控制。數據盒通過CyFi無線模塊,收集到全部子節點的傳感器數據并進行存儲,當得到上位機讀取數據命令后,通過USB接口模擬的串口將數據上傳給上位機。系統整體設計方案如圖1所示。

圖1 采集系統框圖
2 系統硬件設計
2.1 CY8C24894可編程片上系統
CY8C24894是一種高速低功耗的芯片,內含的M8C處理器工作頻率最高可為24 MHz,工作電源為3.3 V或5 y。CY8C24894內含1個XRES引腳支持系統內串行ISSP編程和外部復位控制。并且,CY8C24894不需要外部晶振驅動便可以開始工作。CY8C24894包含7個lO端菅口:Port0、Polt1、Polt2、Port3、Port4、Port5 和 Port7,共49個GPIO。模擬系統包括2列6個可編程模擬模塊和模擬互聯邏輯,數字模塊包括1行4個可編程數字模塊和數字互聯邏輯,另CY8C24894片上還集成了16 KB的Flash程序存儲器,1 KB的SRAM數據存儲器。
可編程片上系統CY8C24894集成了全速USB通信模塊、2個帶32位累加的高速8位乘法器、多個SPI主、從設各、6~14位模數A/D轉換器、濾波器、最大增益為48的可編程增益放大器PGA、6~9位模數D/A轉換器、電壓比較器等片上資源。
2.2無線模塊
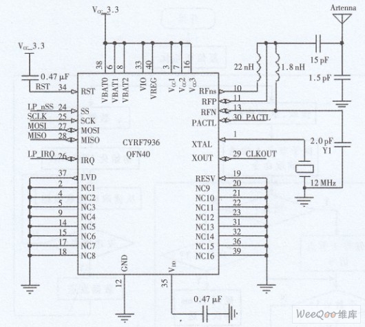
射頻芯片采用CYRF7936芯片,為40引腳的QFN封裝芯片。工作的ISM頻段為2.4 GHz~2 483 GHz,工作電壓為1.8 V~3.6 V,支持速度為4 MHz的sPI微控制器接口,需外接12 MHz的晶振。
CyFi無線射頻技術是Cypress公司2008年底提出的面向嵌人式控制領域的一款低成本\低功耗、高可靠性的無線射頻解決方案,工作于無許可限制的2,4 GHz[SM頻段。CyFi無線射頻解決方案由PSoC控制核心、無線射頻收發器和CyFi星型網絡協議棧組成。PSoC可編程片上系統包含了CyFi星型網絡協議棧預配置固件用戶模塊,并以源代碼的形式提供了全部應用程序的接口,總共只需8個API指令便能完成設計。CyFi收發器輸出功率高達+4 dBm,接收靈敏度高達-97 dBm,能實現跳頻傳輸和DSSS調制抗干擾,并能根據鏈接管理需求,自動調節傳輸數據速率,以1 Mbis、250 kb/s或125 kb/s的速率進行通信。
2.3傳感器模塊
本設計中位移子節點采用巖土工程監測中常用的數字容柵式位移傳感器MS50,其分辨率為0.01 mn1,精度為±0 03 min,電子容柵式位移傳感器MS50的輸出信號如圖2所示,分為CLK和DATA兩路信號進行傳輸⊙由示波器檢測輸出信號可知:信號的頭尾為標志位,且為4位高電平值。位移傳感器MS50每250 Ins傳輸一幀48位的數據包,這個數據包由各分為24位的兩組數據組成。其中,后一組數據為前一組數據減去基準零值后的差值,即為前一組數據的倒相輸入。

圖2位移傳感器輸出信號格式
MS50傳感器的輸出時鐘頻率為90 kHz,出現標志位后,時鐘信號第一次有電平向下跳變時,開始讀取數據信號上的信息,直到尾部標志位出現為止。采集到的數據經過MAX485轉換后,輸出DATA和CLK兩個信號,供CY8C24894讀取。
壓力子節點采用的是MPM480壓阻式壓力傳感器,供電電源為15 V~28 V,輸出為模擬信號4 mA~20mA。由于CY8C24894內部含有可編程增益放大器PGA和模數轉換器ADC,所以將壓力傳感器輸出信號轉換為電壓信號后直接連CY8C24894的模擬輸人引腳。接口電路如圖3所示。

圖3壓力傳感器接口電路
2.4總體硬件電路
總體電路由4個位移子節點電路、1個壓力子節點電路和1個匯聚節點電路組成。CY8C24894與CYRF7936的連接如圖4所示。


圖4 CY8C24894與CYRF7936
子節點包括位移傳感器子節點和壓力傳感器子節點兩種。CY8C24894讀取位移數據后,將位移量保存在數據存儲器中,并保持位移量實時更新。當需要傳輸位移數據量時,CY8C24894控制SPI總線以主設備模式向從設各模式的無線射頻模塊CYRF7936傳輸信號,并以無線方式發送出去,SPI模塊工作時鐘YCI為系統的四分頻,即6 MHz。壓力傳感器子節點輸出的是模擬量,因此需要進行A/D轉換后才能由控制核心CY8C24894存儲和控制射頻模塊發送。而A/D轉換功能使用CY8C24894可編程片上系統自身所帶的12位模數轉換器,模數轉換器在CY8C24894中需要占用2個可編程數字用戶模塊和1個可編程模擬模塊。子節點電路設計如圖5所示。

圖5子節點電路設訓
匯聚節點的硬件設計和子節點的硬件設計類似,但是不再需要前端采集模塊。匯聚節點在解析命令后通過SPI總線控制CYRF7936無線射頻模塊發送命令。在得到回復后將信息再由CYRF7936無線別頻模塊通過SPI總線傳輸給控制核心,并最終通過USBUART仿真串口反饋給上位機。匯聚節點電路如圖6所示
圖6匯聚節點電路設計
3 系統軟件設計
3.1子節點軟件設計
子節點采集功能分為位移量采集和壓力量采集。位移傳感器的輸出信號在CLK時鐘信號出現下跳沿時,開始數據傳輸,而如果此時出現中斷,則會導致位移量采集無法進行,在檢測到CLK的標志信號后,應關閉中斷,讓位移數據采集正常進行,讀取完成后對數據進行處理并保存更新,同時再次打開外部中斷,等待下一次位移數據的采集,位移量采集流程如圖7所示。

圖7位移量采集流程
壓力采樣過程為:首先讀取壓力傳感器的輸入信號,并通過CY8C24894內部可編程增益放大器PGA對模擬信號進行放大,對放大后的壓力數據進行模數轉換,其中模數轉換器ADCINC12時鐘為VC2,即val的三分頻2 MHz。轉換完成后,對數據進行處理、保存、更新,壓力量采集流程如圖8所示。

圖8壓力量采集流程
3.2匯聚節點軟件設計
在接到上位機命令后,匯聚節點進行命令解析。當開始讀取并更新數據工作時,首先讀取匯聚節點在偵測階段確認的子節點個數和網絡標號,按照網絡標號開始逐個讀取位移量。沒有得到回復時,反復二次延時70 ms再次發送讀取命令,若還沒有回復則工作指示燈熄滅,轉向下一個子節點;如果得到回復,則更新原先存儲在匯聚節點的該子節點信息并保存,計數器加一,完成后向下一個節點發送讀取信息,直到之前偵測得到所有節點全部詢問到。當進人傳輸數據工作時,初始化USBUART功能模塊,并打開全局中斷。檢測需要發送的數據個數,發送數據個數非空時,從讀取區讀取待發送的數據,并檢測發送區是否空閑,當發送準各完畢后,開始數據傳輸。匯聚節點工作流程如圖9所示。

圖9 匯聚節點工作流程
本系統充分利用CY8C24894可編程片上系統的高效性和低功耗性,并配合CyFi低功耗無線技術為靜載試驗的采集工作服務。不僅滿足了靜載檢測的需求,也使得虛擬檢測儀器的研究在無線化、小型化、高效化、低功耗、功能全面的方向有了新的設計思路。
經實際測試,匯聚節點與子節點的無線傳輸距離可達到⒛m,傳感器數據采集正常,并且能在預設的監控軟件中實時顯示。測試表明系統具有穩定性好、集成度高、功耗水平低等特點,具有廣泛的市場應用前景。
下一篇: PLC、DCS、FCS三大控
上一篇: 傳感器在筆記本防盜器